Search
close

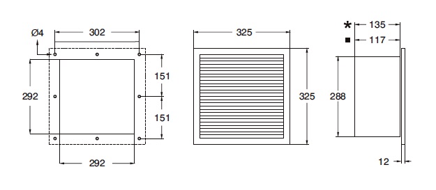
800/1000m³/h 325X325 Ventilation - ARIA

Fans and filters for air exchange for electric boards. Designed and produced in Italy; characterized by a quick snap-mounting system and a front grid to make cloth filter cleaning/replacement more rapid; motors installed on bearings; more than 40.000h reliability; polyurethane sealing gaskets.

DIMENSIONS: 325x325 

 

VENTILATION ACCESSORIES: 

https://www.zanardo.com/en/accessori/accessori-per-ventilazione

 

Material: ABS UL94-V0 prot. UVA 

 

IP54 airextraction (with protective casing for ventilation can reach IP55https://www.zanardo.com/en/accessori/cuffia-di-protezione-per-ventilazione) 

IK08

NEMA12

 

Available in the following colours:

- RAL7032 - G

- RAL7035 - W

- BLACK - B

- TRANSPARENT - C

- CHROME - S

 

Technical data subject to change without notice

Code Rated Operational voltage Rated Operational current Power Consumption Noise level Air flow (free intake) Air flow with filter set (filter included) Operation temperature Weight Volume Technical files Quantity Add
V - ph - Hz A W dB (A) m3/h m3/h Kg
ARIA-F325.2. Filtro di uscita/Outlet filter -15/+55 0,01 0,8
ARIA-V325-1.2. 230, 1~,50/60 0,29/0,33 62/75 59/61 1000 780/790 -15/+55 2,5 0,02
ARIA-V325-3.2. 115, 1~,50/60 0,58/0,70 64/80 66/62 1000 780/790 -15/+55 2,5 0,02
ARIA-V325-2.2. 230, 1~,50/60 0,20/0,22 55/50 65/70 800 624/632 -15/55 2,5 0,02
WANT MORE INFORMATION ABOUT OUR PRODUCTS AND ACCESSORIES?

Download the product catalogue and all information material available.

Discover